
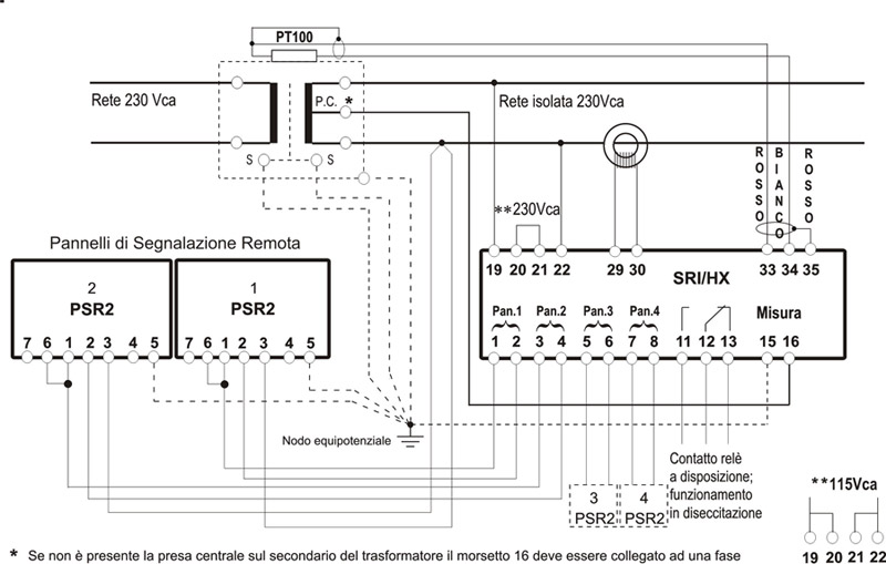
SRI/FX隔離監測器是一種連續監測BT網絡狀況的設備(頻率高達230 Vca,頻率為50-60 Hz),具有中性接地絕緣(IT系統);該設備用于控制醫療和醫院環境中使用中性接地絕緣的電氣裝置,根據IEC 64-8/7;S2,需要對陸地隔離狀況進行持續監測;在隔離中立系統中,不需要對第一次接地故障采取適當的保護措施;在孤立中立系統的情況下,不要求對第一次地面故障的保護進行適當干預;在孤立中立系統的情況下,不要求對第一次地面故障的保護進行適當干預;在孤立中立系統的情況下,不要求對第一次地面故障采取適當的保護行動。
Wiener SRI/HX的特點是:
-監測電阻型和容量型絕緣的損耗,以計算對稱接地色散矢量模式。
-通過外部TA監測過流,以防止處理器或其他電氣設備發生故障
-使用外部PT 100探頭監測轉換器的過溫
-監察與裝置的連接情況,以確保監察的連續性。
觀察者最多可以有四個遠程警告面板(PSR 2),使遠程警告信號能夠以光或聲的形式傳輸(這僅存在于PSR 2上)。
最小調節配置由SRI/HX和PSR 2單元組成。
-連續電壓注入控制
-網絡控制:230 Vca
-1項閾值干預
校準:5065400科姆
-顯示
-1 na-C-NC聯系人
-電子醫療應用
-溫度測量(PT 100)
-水印超載檢查(TA)
-永久核查與安裝的連接
-4個重復小組(PRR 2)

