
一般特征:
閥門由316L不銹鋼制造,球上有4個密封件;
工作溫度:從-20℃到+150℃
工作壓力:見表。
流體系列:食品工業。
表面處理:拋光。
螺紋端符合國際標準化組織228規范。
閥門頭符合國際標準化組織5211規范。
應要求:
密封件由以下材料制成:
聚四氟乙烯玻璃填充,
聚四氟乙烯和碳石墨,
高分子量聚乙烯。
對于其他應用,請聯系我們的銷售部門。
認證:
符合歐洲指令2014/34/歐盟的ATEX版本。
應要求提供ATEX證書。
產品資料
意大利 歐瑪爾(OMAL.S.P.A.)自控閥門公司,是集設計與制造為一體的自主研發型閥門制造公司,在 執行器和自控閥門的設計和制造方面有著30年的經驗。OMAL(歐瑪爾)自控閥門公司系出名門,由意大利知名工業企業BONOMI集團傳人BONOMI-OMAL先生于1981年創立,并于當年推出具有劃時代意義的“單氣缸雙活塞-撥叉式變扭矩” 氣動執行器,榮獲多項專利,具備“小體積-大扭矩”的突出特點,使控制更為可靠方便。依托優異的品質和先進的技術,OMAL(歐瑪爾)迅速成長為歐洲撥叉式氣動執行器供應商,為客戶提供更為專業的自控服務。1990年,OMAL(歐瑪爾)相繼推出自控球閥、自控蝶閥、自控 角座閥等多品種全型號自控閥門,1998年,OMAL(歐瑪爾)VIP梭閥榮獲歐洲工業設計金獎。憑借著對技術與品質的執著追求,OMAL執行器和自控閥門已處于歐洲領先地位,也由最初的專業執行器制造商,成長為歐洲著名的自控閥門公司。對品質的嚴格要求和對技術的不斷創新,是OMAL產品領先世界的重要原因。OMAL自控閥門產品覆蓋所有的工業領域,能滿足各種嚴酷惡劣的條件及高標準用戶的要求,其產品有:球閥、蝶閥、角座閥、梭閥以及執行器等。
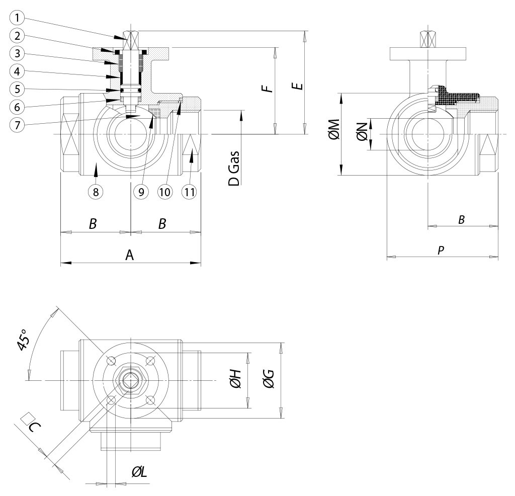
DIMENSIONS | |||||||||||||
SIZE | A | B | □C | D | E | F | ?G | ?H | ?L | ?M | ?N | P | |
| DN [mm] | [inch] | ||||||||||||
| DN 10 | 3/8" | 72 | 36 | 6 | 3/8” | 54,5 | 46,5 | 46 | 36 | 6 | 45 | 12 | 58,5 |
| DN 15 | 1/2" | 82 | 41 | 6 | 1/2” | 57 | 49 | 54 | 42 | 6 | 52 | 15 | 67 |
| DN 20 | 3/4" | 92 | 46 | 9 | 3/4” | 69,5 | 56,5 | 65 | 50 | 7 | 60 | 20 | 76 |
| DN 25 | 1" | 102 | 51 | 9 | 1” | 74 | 61 | 65 | 50 | 7 | 70 | 25 | 86 |
| DN 32 | 1" 1/4 | 118 | 59 | 14 | 1" 1/4 | 94,5 | 81,5 | 90 | 70 | 9 | 85 | 32 | 101,5 |
| DN 40 | 1" 1/2 | 134 | 67 | 14 | 1" 1/2 | 102 | 89 | 90 | 70 | 9 | 100 | 40 | 117 |
| DN 50 | 2" | 144 | 72 | 17 | 2” | 106,5 | 91,5 | 90 | 70 | 9 | 110 | 50 | 127 |
| DN 65 | 2" 1/2 | 160 | 80 | 17 | 2" 1/2 | 116,5 | 101,5 | 125 | 102 | 11 | 122 | 65 | 141 |
| DN 80 | 3" | 200 | 100 | 17 | 3” | 134 | 116 | 125 | 102 | 11 | 150 | 80 | 175 |
| DN 100 | |||||||||||||

CON ATTUATORE PNEUMATICO DOPPIO EFFETTO | CON ATTUATORE PNEUMATICO SEMPLICE EFFETTO | |||||||||||||||||
WITH DOUBLE ACTING PNEUMATIC ACTUATOR | WITH SPRING RETURN PNEUMATIC ACTUATOR | |||||||||||||||||
MISURA | ARTICOLO | ATTUATORE | KIT montaggio | L | H | MISURA | ARTICOLO | ATTUATORE | KIT montaggio | L | H | |||||||
SIZE | Kg | ATEX | SIZE | Kg | ATEX | |||||||||||||
ITEM CODE | ACTUATOR | Mounting KIT | [mm] | [mm] | ITEM CODE | ACTUATOR | Mounting KIT | [mm] | [mm] | |||||||||
DN | [inch] | DN | [inch] | |||||||||||||||
DN 10 | 3/8" | DG45*H003 | DAN0015411S | KCF045293 | 159,0 | 118,7 | 1,7 | DG45*H003YX | DN 10 | 3/8" | SG45*H003 | SRN0015401S | KCF045293 | 233,2 | 125,7 | 2,2 | SG45*H003YX | |
DN 15 | 1/2" | DG45*H004 | DAN0030412S | KCF045293 | 174,2 | 128,2 | 2,3 | DG45*H004YX | DN 15 | 1/2" | SG45*H004 | SRN0030401S | KCF055302 | 258,8 | 139,4 | 3,2 | SG45*H004YX | |
DN 20 | 3/4" | DG45*H005 | DAN0045412S | KCF045294 | 188,5 | 141,0 | 3,3 | DG45*H005YX | DN 20 | 3/4" | SG45*H005 | SRN0053401S | KCF075303 | 258,8 | 159,8 | 5,1 | SG45*H005YX | |
DN 25 | 1" | DG45*H006 | DAN0045412S | KCF045294 | 188,5 | 145,5 | 3,9 | DG45*H006YX | DN 25 | 1" | SG45*H006 | SRN0053401S | KCF075303 | 304,2 | 164,3 | 5,7 | SG45*H006YX | |
DN 32 | 1" 1/4 | DG45*H007 | DAN0060412S | KCF075298 | 198,0 | 171,9 | 6,2 | DG45*H007YX | DN 32 | 1" 1/4 | SG45*H007 | SRN0060401S | KCF075304 | 338,5 | 188,5 | 8,0 | SG45*H007YX | |
DN 40 | 1" 1/2 | DG45*H008 | DAN0106411S | KCF075304 | 237,0 | 192,3 | 9,5 | DG45*H008YX | DN 40 | 1" 1/2 | SG45*H008 | SRN0090401S | KCF105305 | 393,7 | 226,5 | 12,9 | SG45*H008YX | |
DN 50 | 2" | DG45*H009 | DAN0120411S | KCF075298 | 244,1 | 198,5 | 11,3 | DG45*H009YX | DN 50 | 2" | SG45*H009 | SRN0120401S | KCF105299 | 409,6 | 232,6 | 15,5 | SG45*H009YX | |
DN 65 | 2" 1/2 | DG45*H010 | DAN0240411S | KCF105300 | 313,6 | 242,6 | 15,9 | DG45*H010YX | DN 65 | 2" 1/2 | SG45*H010 | SRN0240401S | KCF125301 | 520,5 | 266,5 | 22,3 | SG45*H010YX | |
DN 80 | 3" | DG45*H011 | DAN0360411S | KCF105300 | 339,3 | 264,0 | 27,9 | DG45*H011YX | DN 80 | 3" | SG45*H011 | SRN0360401S | KCF125301 | 613,0 | 294,0 | 37,9 | SG45*H011YX | |
DN 100 | 4" | DG45*H012 | DAN0480411S | KCF125301 | 387,6 | 295,9 | 43,6 | DG45*H012YX | DN 100 | 4" | SG45*H012 | SRN0480401S | KCF145306 | 648,2 | 329,0 | 56,7 | SG45*H012YX | |
* = 0 valvola con sfera a “T” (articolo 450) - “T” port (model 450); | * = 1 valvola con sfera a “L” (articolo 451) - “L” port (model 451) | |||||||||||||||||

MISURA SIZE | ARTICOLO | ATTUATORE | KIT montaggio | L [mm] | H [mm] | Kg | |
DN | [inch] | ITEM CODE | ACTUATOR | Mounting KIT | |||
DN 10 | 3/8" | C45*A5E03 | EA0035A5C000 | KCF055302 | 250,0 | 183,5 | 4,6 |
DN 15 | 1/2" | C45*A5E04 | EA0035A5C000 | KCF055302 | 250,0 | 186,0 | 4,9 |
DN 20 | 3/4" | C45*A5E05 | EA0035A5C000 | KCF052621 | 250,0 | 193,5 | 5,7 |
DN 25 | 1" | C45*A5G06 | EA0070A5C000 | KCF052621 | 250,0 | 198,0 | 6,5 |
DN 32 | 1" 1/4 | CG45*A5G07 | EA0070A5C000 | KCF075298 | 250,0 | 218,5 | 8,4 |
DN 40 | 1" 1/2 | CG45*A5I08 | EA0130A5C000 | KCF075304 | 280,0 | 246,5 | 14,2 |
DN 50 | 2" | C45*A5I09 | EA0130A5C000 | KCF075298 | 280,0 | 249,0 | 15,9 |
DN 65 | 2" 1/2 | CG45*A5K10 | EA0240A5C000 | KCF105300 | 280,0 | 259,0 | 18,0 |
DN 80 | 3" | E45*16N11 | AE160040 | KCE361987 | 256,5 | 301,0 | 30,4 |
DN 100 | 4" | E45*16R12 | AE160060 | KCE561985 | 381,0 | 365,0 | 54,5 |
MISURA SIZE | ARTICOLO | ATTUATORE | KIT montaggio | L [mm] | H [mm] | Kg | |
DN | [inch] | ITEM CODE | ACTUATOR | Mounting KIT | |||
DN 10 | 3/8" | M45*16C03 | AM160002 | KCF055302 | 165,8 | 166,0 | 4,1 |
DN 15 | 1/2" | M45*16C04 | AM160002 | KCF055302 | 165,8 | 168,5 | 4,4 |
DN 20 | 3/4" | M45*16F05 | AM160005 | KCE285434 | 207,5 | 220,0 | 6,6 |
DN 25 | 1" | M45*16F06 | AM160005 | KCE285434 | 207,5 | 224,5 | 7,2 |
DN 32 | 1" 1/4 | MG45*16L07 | AM160020 | KCE362068 | 256,5 | 266,5 | 13,3 |
DN 40 | 1" 1/2 | MG45*16L08 | AM160020 | KCE362068 | 256,5 | 274,0 | 15,7 |
DN 50 | 2" | M45*16L09 | AM160020 | KCE362092 | 256,5 | 276,5 | 17,4 |
DN 65 | 2" 1/2 | MG45*16L10 | AM160020 | KCE365427 | 256,5 | 286,5 | 19,2 |
DN 80 | 3" | M45*16P11 | AM160050 | KCE561985 | 381,0 | 350,0 | 44,2 |
DN 100 | 4" | M45*16P12 | AM160050 | KCE561985 | 381,0 | 365,0 | 56,8 |