
一般特征:
閥門由316L不銹鋼制造。
三件式制造,便于需要頻繁維護的工廠更換。
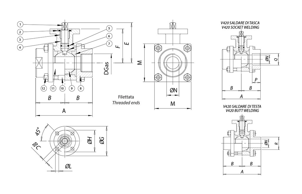
端部:內螺紋符合EN 10226-1 Rp(Ex ISO 7/1);承插焊接;對焊。
工作溫度:從-20℃到+150℃
工作壓力:見圖表。
流體范圍:空氣、水、氣體、石油和石化產品、腐蝕性介質。
閥門頭符合國際標準化組織5211規范。
應要求:
螺紋:不擴散條約
密封件由聚四氟乙烯玻璃填充/聚四氟乙烯碳石墨制成
對于其他應用,請聯系我們的銷售部門。
產品資料
認證:
應要求,ATEX版本符合第2014/34/EU號指令。
應要求提供ATEX證書。
意大利 歐瑪爾(OMAL.S.P.A.)自控閥門公司,是集設計與制造為一體的自主研發型閥門制造公司,在 執行器和自控閥門的設計和制造方面有著30年的經驗。OMAL(歐瑪爾)自控閥門公司系出名門,由意大利知名工業企業BONOMI集團傳人BONOMI-OMAL先生于1981年創立,并于當年推出具有劃時代意義的“單氣缸雙活塞-撥叉式變扭矩” 氣動執行器,榮獲多項專利,具備“小體積-大扭矩”的突出特點,使控制更為可靠方便。依托優異的品質和先進的技術,OMAL(歐瑪爾)迅速成長為歐洲撥叉式氣動執行器供應商,為客戶提供更為專業的自控服務。1990年,OMAL(歐瑪爾)相繼推出自控球閥、自控蝶閥、自控 角座閥等多品種全型號自控閥門,1998年,OMAL(歐瑪爾)VIP梭閥榮獲歐洲工業設計金獎。憑借著對技術與品質的執著追求,OMAL執行器和自控閥門已處于歐洲領先地位,也由最初的專業執行器制造商,成長為歐洲著名的自控閥門公司。對品質的嚴格要求和對技術的不斷創新,是OMAL產品領先世界的重要原因。OMAL自控閥門產品覆蓋所有的工業領域,能滿足各種嚴酷惡劣的條件及高標準用戶的要求,其產品有:球閥、蝶閥、角座閥、梭閥以及執行器等。

DIMENSIONS | |||||||||||||||
SIZE | A | B | □C | D | E | F | ?G | ?H | ?L | □M | ?N | Q | P | R | |
| DN [mm] | [inch] | ||||||||||||||
| DN 10 | 3/8" | 70 | 35 | 6 | 3/8” | 49,5 | 41,5 | 46 | 36 | 6 | 40 | 10 | 17,8 | 9,7 | 18 |
| DN 15 | 1/2" | 70 | 35 | 6 | 1/2” | 49,5 | 41,5 | 46 | 36 | 6 | 40 | 15 | 22 | 9,7 | 22,5 |
| DN 20 | 3/4" | 80 | 40 | 6 | 3/4” | 53 | 45 | 46 | 36 | 6 | 45 | 20 | 27,3 | 12,7 | 28 |
| DN 25 | 1" | 90 | 45 | 9 | 1” | 64,5 | 51,5 | 65 | 50 | 7 | 60 | 25 | 42,8 | 12,7 | 34,5 |
| DN 32 | 1" 1/4 | 100 | 50 | 9 | 1" 1/4 | 69,5 | 56,5 | 65 | 50 | 7 | 70 | 32 | 42,8 | 12,7 | 43,5 |
| DN 40 | 1" 1/2 | 114 | 57 | 14 | 1" 1/2 | 89 | 76 | 65 | 50 | 7 | 80 | 40 | 48,9 | 12,7 | 49,5 |
| DN 50 | 2" | 136 | 68 | 14 | 2” | 95 | 82 | 65 | 50 | 7 | 90 | 50 | 61,4 | 15,8 | 61,5 |

CON ATTUATORE PNEUMATICO DOPPIO EFFETTO | ||||||||||
WITH DOUBLE ACTING PNEUMATIC ACTUATOR | ||||||||||
MISURA SIZE | ARTICOLO | ATTUATORE | KIT montaggio | L [mm] | H [mm] | Kg | ATEX | |||
DN [mm] | [inch] | ITEM CODE | ACTUATOR | Mounting KIT | ||||||
DN 10 | 3/8" | DG420H0*3 | DAN0015411S | KCF045293 | 159,0 | 113,3 | 1,3 | DG420H0*3YX | ||
DN 15 | 1/2" | DG420H0*4 | DAN0015411S | KCF045293 | 159,0 | 113,3 | 1,3 | DG420H0*4YX | ||
DN 20 | 3/4" | DG420H0*5 | DAN0015411S | KCF045293 | 159,0 | 116,8 | 1,4 | DG420H0*5YX | ||
DN 25 | 1" | DG420H0*6 | DAN0030411S | KCF045294 | 174,2 | 130,3 | 2,6 | DG420H0*6YX | ||
DN 32 | 1" 1/4 | DG420H0*7 | DAN0030411S | KCF045294 | 174,2 | 135,3 | 2,9 | DG420H0*7YX | ||
DN 40 | 1" 1/2 | DG420H0*8 | DAN0060412S | KCF055296 | 198,0 | 161,3 | 4,4 | DG420H0*8YX | ||
DN 50 | 2" | DG420H0*9 | DAN0060412S | KCF055296 | 198,0 | 174,0 | 5,8 | DG420H0*9YX | ||
CON ATTUATORE PNEUMATICO SEMPLICE EFFETTO | |||||||||||
WITH SPRING RETURN PNEUMATIC ACTUATOR | |||||||||||
MISURA SIZE | ARTICOLO | ATTUATORE | KIT montaggio | L [mm] | H [mm] | Kg | ATEX | ||||
DN [mm] | [inch] | ITEM CODE | ACTUATOR | Mounting KIT | |||||||
DN 10 | 3/8" | SG420H0*3 | SRN0015401S | KCF045293 | 233,2 | 120,3 | 1,7 | SG420H0*3YX | |||
DN 15 | 1/2" | SG420H0*4 | SRN0015401S | KCF045293 | 233,2 | 120,3 | 1,7 | SG420H0*4YX | |||
DN 20 | 3/4" | SG420H0*5 | SRN0015401S | KCF045293 | 233,2 | 123,8 | 1,9 | SG420H0*5YX | |||
DN 25 | 1" | SG420H0*6 | SRN0030402S | KCF055295 | 258,8 | 141,5 | 3,3 | SG420H0*6YX | |||
DN 32 | 1" 1/4 | SG420H0*7 | SRN0030402S | KCF055295 | 258,8 | 146,5 | 3,6 | SG420H0*7YX | |||
DN 40 | 1" 1/2 | SG420H0*8 | SRN0053401S | KCF075297 | 304,2 | 178,8 | 6,0 | SG420H0*8YX | |||
DN 50 | 2" | SG420H0*9 | SRN0060401S | KCF075297 | 338,5 | 190,6 | 7,3 | SG420H0*9YX | |||
* = 0 Valvola filettata (articolo DG420H00_) Threaded ends (model DG420H00_); | |||||||||||
* = 8 Valvola a saldare di tasca (articolo DG420H08_) | Socket welding (model DG420H08_); | ||||||||||
* = 9 Valvola da saldare di testa (articolo DG420H09_) | Butt welding (model DG420H09_). | ||||||||||